Волгодонск
ON-LINE ТРАНСЛЯЦИЯ
на рынке
объектов построено
на все работы
Мы включаем в начальную стоимость всё
- Аудит участка перед покупкой (предупредим, если на нем есть ограничения по строительству)
- Согласование с администрацией
- Кадастровые работы по постановке на учёт
- Регистрация права собственности
- Проектирование высококлассными инженерами со стажем от 17 лет
- Получение разрешения на строительство
- Получение необходимых технических условий
- Аренда спецтехники
- Система снегозадержания
- Система отливов
- Online видеонаблюдение за объектом
- Фундамент
- Металлокаркас
- Покраска металлоконструкций
- Стены и кровля
- Покупка и установка окон и дверей
- Работы по наливным полам
- Ввод в эксплуатацию
6 причин в пользу строительства с нами
Вся информация о нас
в процессе строительства

или закажите разработку
чертежей под ключ

документы на строительство

здания в прямом эфире

приходят по рекомендации

при правильной эксплуатации
Видео-обзоры других построенных нами зданий
Смотрите все видео
Отвечаем на Ваши вопросы
Смотрите ответы на другие вопросыКак правильно сравнить цены на строительство зданий от разных подрядчиков? Когда мы начинаем сравнивать предложения по стоимости здания, все сводится к банальной стоимости одного квадратного метра. Это неправильно. В стоимость квадратного метра каждая солидная организация вкладывает свой определенный набор выполненных работ. У кого -то это фундаменты, стены и крыша, у кого-то туда входят полы, у кого-то входят окна, у кого-то ничего туда не входит. Соответственно, когда мы начинаем выбирать подрядчика и выбирать по коммерческим предложениям за стоимость квадратного метра, нужно четко понимать, а что входит в стоимость этого квадратного метра.
У нас есть преимущество, о котором мало кто задумывается, когда выбирают подрядчика. Это стоимость здания, и из чего она складывается. Обычно стоимость здания считают, складывая материалы, затраты на рабочих и на технику. Но это не все. Мы можем построить дешевле, потому что будем строить быстрее. Это значит, что деньги, которые наши клиенты вкладывают в здание, начнут приносить дивиденды намного быстрее, чем при строительстве из других материалов или с другими компаниями.
Самое первое наше преимущество - это доверие, доверие наших клиентов, которое мы не можем обмануть.
Второе — собственное проектирование. Мы сами проектируем, сами строим. Соответственно, мы берем ответственность за все этапы строительства и проектирования. Т.е. если завтра произойдет какая-то ошибка или брак, если в эксплуатации что-либо спроектировано, либо было построено неправильно, вы знаете куда обратиться. У вас была одна организация, соответственно, ответственность за здание будем нести мы единолично.
Третье преимущество - это сроки строительства. Мы можем вести несколько процессов параллельно. Мы можем одновременно проектировать, начинать изготавливать металлоконструкции и выезжать делать готовые фундаменты. Все это сокращает сроки.
Обычно строят с начала весны до поздней осени. Но нужно учитывать некоторые моменты:
-
закрытие дорог по весне;
- проливные дожди осенью и весной.
Все это всегда приводит к увеличению сроков строительства. Наша компания строит круглый год, в том числе и зимой.
Давайте поговорим про срок службы быстровозводимых зданий. Это непростой вопрос, на который ответить за секунду нельзя.
Срок службы здания будет определяться многими факторами. Основные из них:
1.
Правильное
проектирование;
2. Строительство и качество материалов;
3. Эксплуатация здания.
Давайте разберемся, что может повлиять на срок строительства нашего быстровозводимого здания.
Технология быстровозводимых зданий - самая быстрая, которую на сегодняшний день придумало
человечество. Если мы будем сравнивать с технологией строительства из других материалов:
кирпич, монолитный бетон, дерево, то мы при строительстве сэндвич-панелей гораздо
быстрее
построим одно и то же здание. Почему?
- Во-первых, затратим меньше времени на
фундамент,
потому что здание легкое, самое легкое из всех зданий. Потому как сэндвич-панели сами по
себе как стеновой материал намного легче, чем кирпич, бетон или дерево.
-
Металлокаркас
собирается за считанные дни, потому что он подготовлен на заводе металлоконструкций и
его
нужно только лишь смонтировать и собрать как конструктор. Потом идет навеска панелей,
затем
устройство кровли.
Тем самым, если сравнить со зданием в 500 кв.м. из кирпича, которое будет строиться год - мы построим быстровозводимое здание за 3 месяца.
Каждый сотрудник компании "Альянс" старается упростить Вам жизнь!
нашего директора Якова Митрофанова
Собственник СК «Альянс»
Отзывы наших клиентов — ведущих компаний России
Смотрите все отзывы











У нас есть все необходимые документы и свидетельства
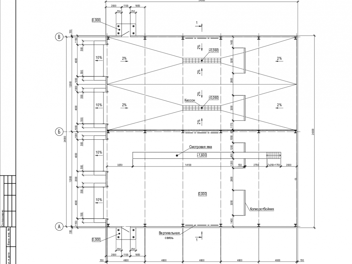
Другие проекты Автосервисов, СТО
Смотрите все проектыэскиз и смету
в подарок!
стоимость
строительства
качество
здания


